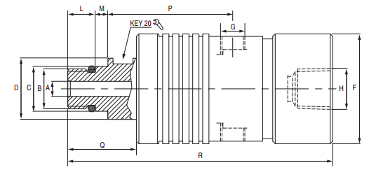
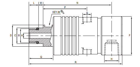
GFR/GFRA干运转冷却液旋转接头

首页 >> 产品中心 >> 机床行业旋转接头 >> GFR/GFRA干运转冷却液旋转接头 >> GFR/GFRA干运转冷却液旋转接头
  • GFR/GFRA干运转冷却液旋转接头

  • GFR/GFRA干运转冷却液旋转接头

  • GFR/GFRA干运转冷却液旋转接头

  • GFR/GFRA干运转冷却液旋转接头

GFR/GFRA干运转冷却液旋转接头

GFR/GFRA干运转冷却液旋转接头


产品介绍

image.png

image.png

联系我们
  • 邮箱:tianchs@vip.126.com
  • 电话:0531 6786 8800
  • 手机:178 0531 1377
  • 中国(山东)自由贸易试验区济南片区工业南路61号山钢新天地广场8-803